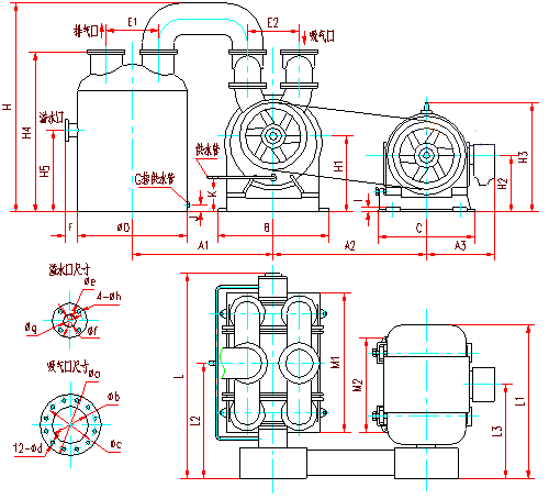
SK-60、SK-85、SK-120水环式真空泵外形及安装尺寸图

底脚安装尺寸

|
代号 |
A1 |
A2 |
A3 |
B |
C |
D |
D1 |
D2 |
E1 |
E2 |
F |
H |
H1 |
H2 |
H3 |
H4 |
|---|---|---|---|---|---|---|---|---|---|---|---|---|---|---|---|---|
|
SK-60 |
1283 |
1430 |
620 |
1020 |
1088 |
1000 |
1089 |
1170 |
500 |
465 |
100 |
1915 |
695 |
525 |
1025 |
1474 |
|
SK-85 |
1283 |
1430 |
660 |
1020 |
1158 |
1000 |
1089 |
1170 |
500 |
465 |
100 |
1915 |
695 |
550 |
1110 |
1474 |
|
SK-120 |
1773 |
1528 |
620 |
1330 |
/ |
1400 |
1512 |
1612 |
640 |
705 |
100 |
2458 |
945 |
600 |
1255 |
1970 |
|
代号 |
H5 |
I |
J |
K |
L |
L1 |
L2 |
L3 |
M1 |
M2 |
N1 |
N2 |
P1 |
P2 |
S |
T |
|
SK-60 |
750 |
35 |
80 |
305 |
1928 |
1305 |
1000 |
815 |
1215 |
830 |
620 |
490 |
940 |
910 |
153 |
260 |
|
SK-85 |
750 |
35 |
80 |
305 |
2178 |
1510 |
1125 |
915 |
1465 |
990 |
690 |
630 |
940 |
1160 |
153 |
280 |
|
SK-120 |
1000 |
50 |
150 |
520 |
2340 |
1445 |
1224 |
926 |
1740 |
960 |
710 |
620 |
1210 |
1240 |
250 |
300 |
|
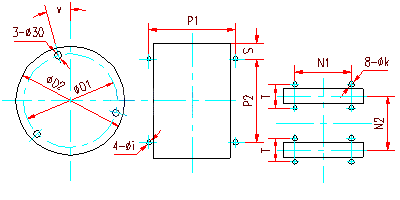
代号 |
a |
b |
c |
d |
e |
f |
g |
h |
i |
j |
k |
x |
G |
底脚螺栓 | ||
|
SK-60 |
370 |
250 |
335 |
18 |
205 |
100 |
170 |
18 |
18 |
36 |
36 |
15° |
G1" |
M30×500 | ||
|
SK-85 |
370 |
250 |
335 |
18 |
205 |
100 |
170 |
18 |
18 |
36 |
36 |
15° |
G1" |
M30×500 | ||
|
SK-120 |
435 |
300 |
395 |
23 |
205 |
100 |
170 |
18 |
18 |
48 |
48 |
0 |
G1.25" |
M42×630 | ||