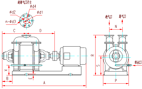
SK-6、SK-12、SK-20、SK-30、SK-42水环式真空泵及压缩机外形及安装尺寸图

SK-6、SK-12、SK-20真空泵、压缩机及SK-30真空泵底脚安装尺寸

SK-30压缩机及SK-42真空泵底脚安装尺寸
|
代号 |
A |
B |
C |
D |
E |
F |
G/G1 |
H |
I |
J |
K |
L |
M |
N | |
|---|---|---|---|---|---|---|---|---|---|---|---|---|---|---|---|
|
SK-6 |
真空泵 |
1432 |
114 |
370 |
457 |
30 |
235 |
800 |
1225 |
/ |
470 |
420 |
420 |
470 |
210 |
|
压缩机 |
1477 |
91 |
370 |
457 |
30 |
235 |
800 |
1225 |
/ |
470 |
420 |
420 |
470 |
210 | |
|
SK-12 |
真空泵 |
1761 |
141 |
448 |
538 |
30 |
300 |
940 |
1468 |
858 |
580 |
520 |
460 |
520 |
280 |
|
压缩机 |
1831 |
141 |
448 |
538 |
30 |
300 |
990 |
1520 |
/ |
580 |
520 |
520 |
580 |
280 | |
|
SK-20 |
真空泵 |
2100 |
141 |
491 |
609 |
30 |
340 |
1132 |
1780 |
/ |
690 |
630 |
630 |
690 |
350 |
|
压缩机 |
2370 |
159 |
491 |
609 |
30 |
340 |
1210 |
1895 |
686 |
690 |
630 |
720 |
780 |
350 | |
|
SK-30 |
真空泵 |
2500 |
144 |
556 |
674 |
30 |
405 |
1270 |
2020 |
685 |
690 |
630 |
720 |
780 |
350 |
|
压缩机 |
2570 |
144 |
556 |
674 |
30 |
405 |
1295 |
2071 |
711 |
690 |
630 |
700 |
760 |
350 | |
|
SK-42 |
真空泵 |
2720 |
144 |
630 |
750 |
30 |
480 |
1445 |
2221 |
711 |
690 |
630 |
700 |
760 |
350 |
|
代号 |
P |
R |
S |
T |
W |
X |
Z |
d1 |
d2 |
d3 |
d4 |
d5 |
n |
底脚螺栓 | |
|
SK-6 |
真空泵 |
330 |
610 |
315 |
410 |
410 |
183 |
G1/2" |
80 |
130 |
14 |
160 |
18 |
4 |
M16×400 |
|
压缩机 |
330 |
610 |
315 |
410 |
410 |
183 |
G1/2" |
80 |
130 |
14 |
160 |
18 |
4 | ||
|
SK-12 |
真空泵 |
440 |
740 |
355 |
520 |
460 |
163 |
G1/2" |
80 |
150 |
14 |
180 |
27 |
4 |
M24×600 |
|
压缩机 |
440 |
755 |
370 |
520 |
520 |
178 |
G1/2" |
80 |
150 |
14 |
180 |
27 |
4 | ||
|
SK-20 |
真空泵 |
680 |
1010 |
485 |
650 |
650 |
220 |
G3/4" |
150 |
200 |
18 |
235 |
27 |
6 |
M24×600 |
|
压缩机 |
680 |
1015 |
490 |
650 |
720 |
225 |
G3/4" |
150 |
200 |
18 |
235 |
27 |
6 | ||
|
SK-30 |
真空泵 |
680 |
1010 |
485 |
650 |
720 |
220 |
G3/4" |
150 |
200 |
18 |
235 |
27 |
6 |
M24×600 |
|
压缩机 |
680 |
1015 |
490 |
650 |
708 |
225 |
G3/4" |
150 |
200 |
18 |
235 |
27 |
6 | ||
|
SK-42 |
真空泵 |
680 |
1015 |
490 |
650 |
708 |
225 |
G3/4" |
150 |
200 |
18 |
235 |
27 |
6 |
M24×600 |
SK-6、SK-12、SK-30水环式真空泵及压缩机气水分离器外形尺寸图
|
代号 |
A |
B |
C |
D |
E |
F |
G |
H |
I |
J |
K |
Z1 |
Z1' |
Z2 |
n |
d1 |
d2 |
d3 |
d4 |
|---|---|---|---|---|---|---|---|---|---|---|---|---|---|---|---|---|---|---|---|
|
SK-6 |
740 |
320 |
250 |
500 |
60 |
80 |
220 |
870 |
1030 |
140 |
500 |
1.5" |
2.5" |
G1/2" |
4 |
160 |
130 |
65 |
14 |
|
SK-12 |
910 |
400 |
250 |
650 |
60 |
80 |
260 |
1080 |
1230 |
140 |
500 |
1.5" |
2.5" |
G1/2" |
4 |
185 |
150 |
80 |
18 |
|
SK-30 |
1070 |
610 |
250 |
650 |
60 |
80 |
260 |
1130 |
1408 |
140 |
500 |
1.5" |
2.5" |
G1/2" |
8 |
235 |
200 |
125 |
18 |