|
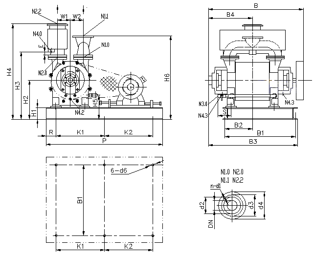
2BEA 202/203/252/253皮带传动安装尺寸
| |
| N1.0进气端法兰 N1.1连通管法兰 N2.0排气端法兰 N2.2分离器法兰 N3.0工作液接口 N4.0分离器排液口 N4.2冲洗、排液口 N4.3泄漏液排放口 |
|
代号 |
B1 |
B2 |
B3 |
B4 |
B |
d6 |
E |
H2 |
H3 |
H4 |
H5 |
H6 |
K1 |
K2 |
P | |
|
2BEA 202 |
730 |
273 |
951 |
469 |
1030 |
27 |
37 |
470 |
784 |
1140 |
282 |
995 |
580 |
580 |
1400 | |
|
2BEA 203 |
850 |
333 |
1071 |
529 |
1140 |
27 |
37 |
470 |
784 |
1140 |
282 |
995 |
580 |
580 |
1400 | |
|
2BEA 252 |
950 |
345 |
1230 |
595 |
1280 |
27 |
42 |
580 |
979 |
1425 |
328 |
1210 |
800 |
800 |
1900 | |
|
2BEA 253 |
1100 |
420 |
1380 |
670 |
1430 |
27 |
42 |
580 |
979 |
1425 |
328 |
1210 |
800 |
800 |
1900 | |
|
代号 |
R |
S |
W1 |
W2 |
N3.0 |
N4.0 |
N4.2 |
N4.3 |
||||||||
|
2BEA 202 |
120 |
180 |
155 |
155 |
G1" |
G3" |
G3/4" |
G3/4" |
||||||||
|
2BEA 203 |
120 |
180 |
155 |
155 |
G1" |
G3" |
G3/4" |
G3/4" |
||||||||
|
2BEA 252 |
150 |
200 |
215 |
215 |
G11/4" |
G3" |
G1" |
G3/4" |
||||||||
|
2BEA 253 |
150 |
200 |
215 |
215 |
G11/4" |
G3" |
G1" |
G3/4" |
||||||||
|
代号 |
DN |
d1 |
d2 |
d3 |
d4 |
n |
代号 |
DN |
d1 |
d2 |
d3 |
d4 |
n | |||
|
2BEA 202 |
N1.0 N2.0 |
100 |
18 |
158 |
180 |
220 |
8 |
2BEA 252 |
N1.0 N2.0 |
125 |
18 |
188 |
210 |
250 |
8 | |
|
N1.1 N2.2 |
125 |
18 |
188 |
210 |
250 |
8 |
N1.1 N2.2 |
150 |
22 |
212 |
240 |
285 |
8 | |||
|
2BEA 203 |
N1.0 N2.0 |
100 |
18 |
158 |
180 |
220 |
8 |
2BEA 253 |
N1.0 N2.0 |
125 |
18 |
188 |
210 |
250 |
8 | |
|
N1.1 N2.2 |
125 |
18 |
188 |
210 |
250 |
8 |
N1.1 N2.2 |
150 |
22 |
212 |
240 |
285 |
8 | |||